上海松夏減震器有限公司
ZF型自封式空氣彈簧(沖床設備專用)介紹:
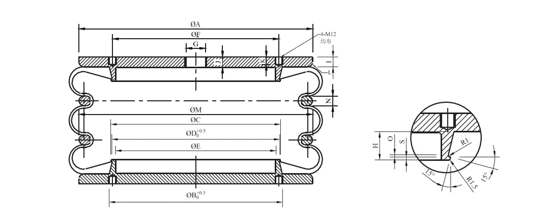
自封式,是因其無需外力自行密封而得名。如圖,用纖維層做補強處理的橡膠曲囊①在使用時,將防止膨脹的鋼制(鍍鋅)腰環②嵌在其中。③蓋板的端部鋼絲圈借助空氣內壓的作用,使橡膠口部發生變形與上下蓋板(鍍鋅)④密切接觸,從而可防止空氣泄漏。上下蓋板④通過機械加工成型。⑤是用于安裝進氣管路的管螺紋進氣孔,⑥則是安裝用的標準螺紋孔。
空氣彈簧的特征
1、使用壽命長,自封式由于伸縮時的橡膠變形更少,因此具有優良的耐久性。
2、維護十分簡單,不存在摩擦滑動部分,因此不需要加潤滑油。
3、可降低安裝高度,與其他彈簧相比,可以使安裝高度降低,有效增加 行程。
4、可獲得彈性柔軟的彈簧參數,負載大且彈性柔軟,防振性能超群。
5、承載力的輸出可變,可通過改變內壓,在很大范圍內改變承載力。
6、高度可控制,如與高度調整閥并用,對不同負載可保持恒定高度。
7、具有衰減效果,如與輔助氣室和節流閥并用,可獲得優良的阻尼效 果,從而使共振幅度減小。
8、易于安裝,結構簡單,安裝和拆卸均簡單易行。
適用范圍:壓力機、沖壓機、機械沖床、氣動沖床、液壓沖床、高速機械沖床、高頻沖床、數控沖床、普通機械沖床、手動沖壓機、螺旋式沖床 、齒條式沖床、連桿式沖床 、凸輪式沖床,造紙設備,造紙生產線,紙張設備等
產品規格參數表:








